Back to product listing
Manhole cover

315 frame E600

315-series frame E600

Specifications:
Product code:
3366040D-N
Warranty:
2
Years
Product category:
ASTV, HD
Market:
Estonia, Finland, Latvia, Norway, Sweden
Product type:
Frame
Locking mechanism:
————
EN load class:
E600
Weight:
23
kg
Width:
————
mm
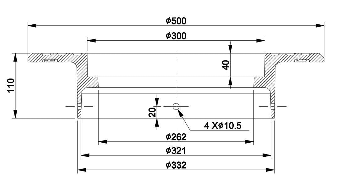
Max height:
110
mm
Seating depth:
40
mm
Lenght:
————
mm
Frame opening:
262
mm
Pipe fit outer diameter:
————
mM
Fit together:
————
Product set:
————
Material marks:
Ductile EN-GJS-500/7
Contact sales