Tuoteluokka
Kaivonkannet
315 Normaali neliökehys
315-sarja Normaali neliökehys pyöreälle lukittuvalle kannelle
Tuotetiedot:
Tuote Koodi:
3366066-N
Takuu:
2
Vuotta
Tuote kategoria:
Normaali
Markkina-alue:
Latvia, Norja, Ruotsi, Suomi, Viro
Tuote tyyppi:
Kehys
EN lujuus luokka:
D400
Material marks:
Pallografiitti valurauta EN-GJS-500/7
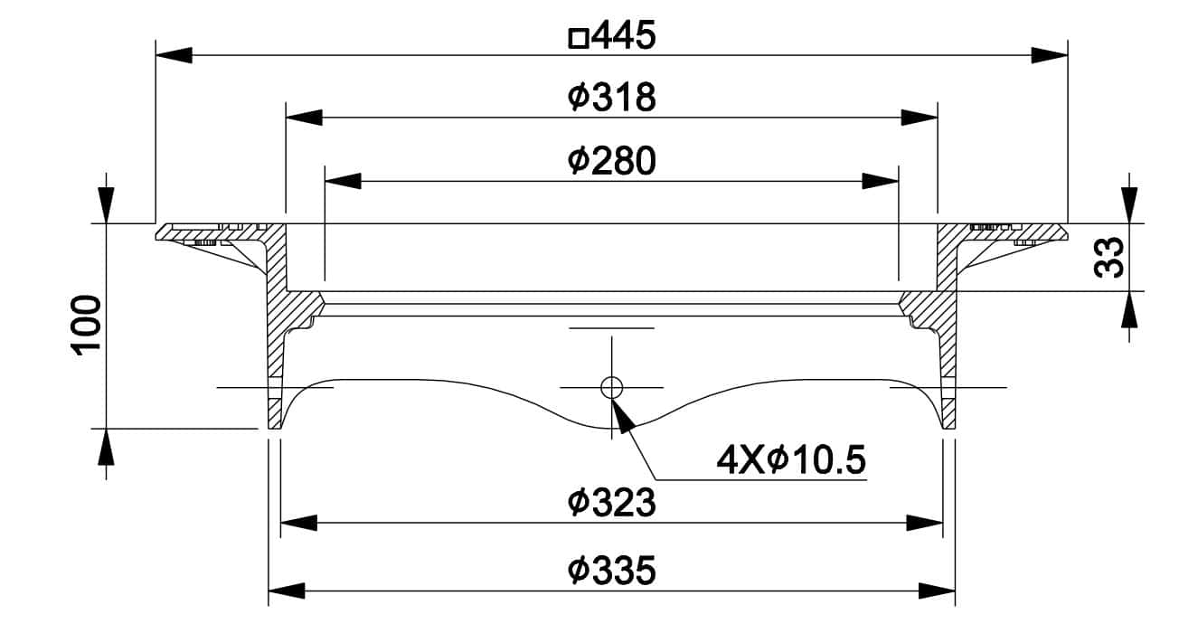
mittaukset:
Paino:
15
kg
Leveys:
445
mm
Maksimi korkeus:
100
mm
Halkaisija:
315
mm
Seating depth:
33
mm
Pituus:
445
mm
Frame opening:
280
mm
Pipe fit outer diameter:
315
mm
Lukittavan kaivon kannen avaaminen
Tällä videolla näytetään, miten kansi avataan sorkkaraudalla, puhdistetaan nopeasti ja suljetaan helposti. Siinä esitellään 315-sarjan lukittavaa kaivonkansiamme, mutta sama menetelmä pätee kaikkiin muihin Combi Worksin lukittaviin kaivonkansiin.

