Product range
Manhole cover
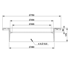
550/50 round frame
550/50-series 3366020-N is a floating type, round frame for round blind cover 3366021-N or grating 3366022-N. The frame is designed for Nordic conditions, in accordance with standard EN 124-2:2015, manufactured from grey cast iron EN-GJL-200 and is classified under Load Class D400.
The frame is compatible with DN560 and DN630 mm telescope pipe.
Typical applications are service stations, industrial buildings, heavy vehicle car parks, public roads.

