Product range
Manhole cover
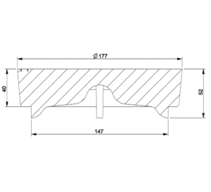
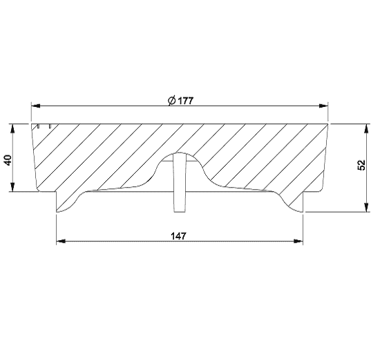
160/200 Normal grating
160/200-series Normal round grating is compatible with Normal, round frame 3366051-N. The grating is designed for Nordic conditions, in accordance with standard EN 124-2:2015, manufactured from ductile iron EN-GJS-500/7 and is classified under Load Class D400.
Grating can be opened using a magnetic lifter CW1600. The set assembly is compatible with DN160 and DN200 mm telescope pipe
Typical applications are inner streets, car parks, pedestrian zones.





