Product range
Manhole cover
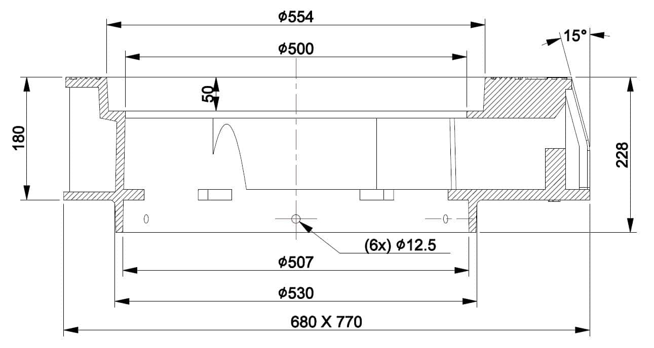
550/50 jaw frame D400 EST version
550/50 D400 3366205-N is a rectangular kita jaw frame for a round blind cover 3366021-N or grating 3366022-N. The frame is designed for Nordic conditions, in accordance with standard EN 124-2:2015, manufactured from grey cast iron EN-GJL-200 and is classified under Load Class D400.
Cover can be opened using a magnetic lifter CW1600. The frame is compatible with DN500 mm telescope pipe.
Typical application is along the curb stone on a pedestrian way.


