Back to product search
Product range
Manhole cover
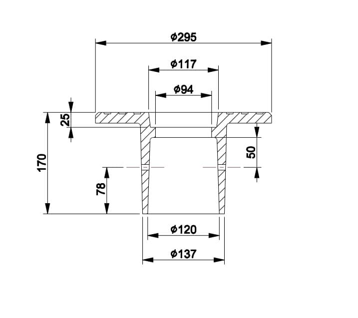
Surface box floating 300/170

Surface box floating frame 300/170 is designed for Nordic conditions and manufactured from grey cast iron EN-GJL-200. Compatible with blind cover 3366087-N and 160 mm telescope pipe.

Specifications:
Product code:
3366056-N
Warranty:
2
Years
Market:
Estonia, Finland, Latvia, Norway, Sweden
Product type:
Frame
Material marks:
Grey Cast EN-GJL-200
measurements:
Weight:
11
kg
Max height:
170
mm
diameter:
295
mm
Seating depth:
25
mm
Frame opening:
94
mm