Back to product listing
Manhole cover

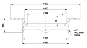
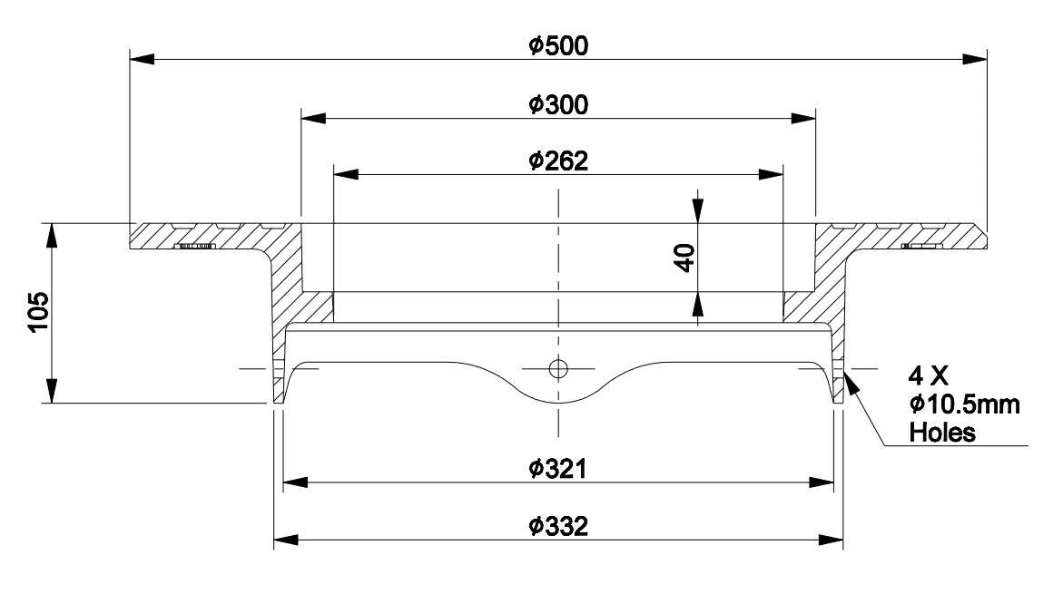
315 frame

315-series frame for non-lockable cover or grating

Specifications:
Product code:
3366113-N
Warranty:
2
Years
Product category:
ASTV
Market:
Estonia, Finland, Latvia, Norway, Sweden
Product type:
Frame
Locking mechanism:
————
EN load class:
D400
Weight:
20
kg
Width:
————
mm
Max height:
100
mm
Seating depth:
40
mm
Lenght:
————
mm
Frame opening:
262
mm
Pipe fit outer diameter:
————
mM
Fit together:
————
Product set:
————
Material marks:
Grey Cast EN-GJL-200
Contact sales